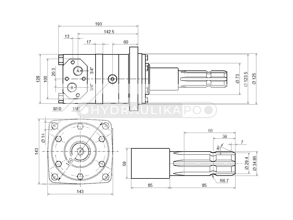
Hydromotor BMT 160 s kardanovým vývodom
Kód: 150065
Veľké skladové zásoby
poradenstvo pri výbere produktov

Doručenie do druhého dňa
na akúkoľvek adresu

Kamenná predajňa
možnosť osobného odberu
Súvisiaci tovar
Podrobný popis
Orbitrálny hydromotor s veľkým výkonom určený na použitie v rôznych poľnohospodárskych a priemyselných zariadeniach. Veľmi dobre prenáša bočné zaťazenie a veľké krútiace momenty. Vhodný na prestavbu traktorov bez kardanového vývodu.
Parametre:
max. stály prietok: 100L/min (krátkodobo 125L/min)
max. stály tlak: 200 bar (krátkodobo 240 bar)
max. otáčky: 620 ot./min (krátkodobo 775 ot./min)
max. výkon: 26,5 kW (krátkodobo 32,0 kW)
max. krútiaci moment: 470 Nm (krátkodobo 560 Nm)
pripojovacie rozmery: 3/4"
Dodatočné parametre
| Kategória: | Hydromotory |
|---|---|
| Hmotnosť: | 0.1 kg |
Buďte prvý, kto napíše príspevok k tejto položke.
Pridať komentár
