Hydraulický rozvádzač 4- sekciový 80L/min HLR
Kód: 100123
Veľké skladové zásoby
poradenstvo pri výbere produktov

Doručenie do druhého dňa
na akúkoľvek adresu

Kamenná predajňa
možnosť osobného odberu
Súvisiaci tovar
Podrobný popis
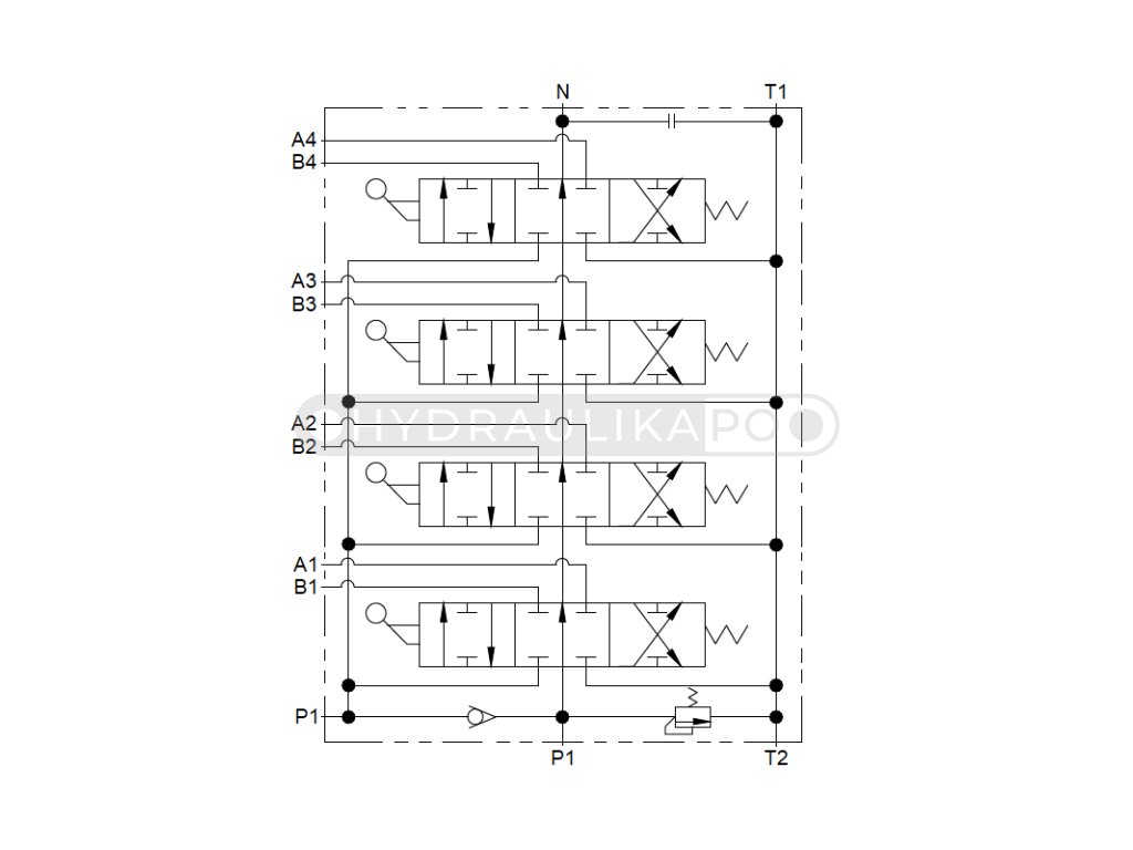
Hydraulický rozvádzač 4-sekciový, prietok 80 L/min od od od firmy Hydrolider.
Vstavaný poistný ventil nastavený na 175 bar s možnosťou plynulej regulácie.
Maximálny tlak na sekciách 300 bar, odpad 50 bar.
Pripojovacie rozmery: vstup: 1/2", odpadová vetva: 3/4", sekcie: 1/2"
N - výstup: možnosť sériového zapojenia rozvádzačov cez zaťažiteľnú spiatočku pomocou vsuvky.
Hydraulické rozvádzače sú určené na ovládanie hydraulických valcov, hydromotorov, lisov, štiepačiek, poľnohospodárskych, stavebných a lesných strojov.
Dodatočné parametre
| Kategória: | 4 - sekciové rozvádzače |
|---|---|
| Hmotnosť: | 0.1 kg |
Buďte prvý, kto napíše príspevok k tejto položke.
Pridať komentár

